#10
:
? , . . , , 3040-. -1. ? - , . , , , . . 35- ( , , ) -.
❯
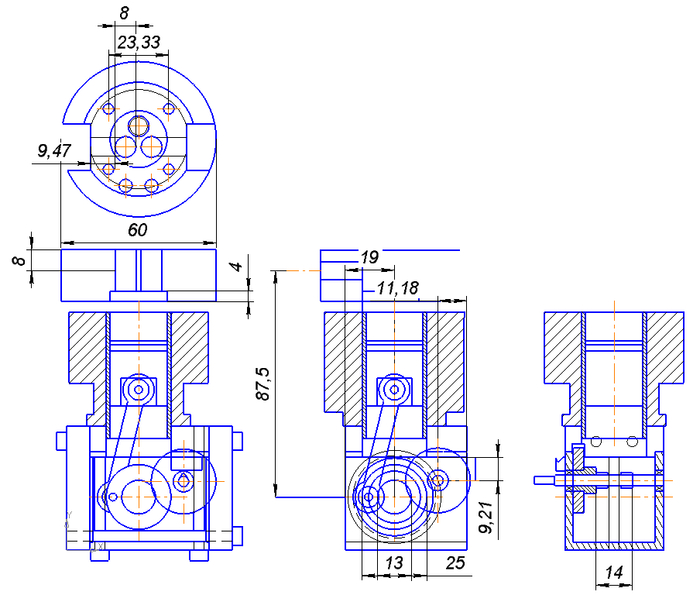
, . . , , - . , , . , , , 7,6 3. , . , . , . - , (, , ) - .
(Ø22×25 ), (20 ), (43 ), . , . , . . . , , , , , . , (!). , , , .
. 0.5 . 8 , . ? , , , . , , . 24 48 , 1:2.
, , . , , , . , ! ... , , - . , .
, , . , . , (, , , ). , . , , , . , , , , .
, 6 , . - ( ), 12 , . . 4. , .
, , . , , . , - .
. , DVD . - (/) . . , .
, . .
, .
.
, ! , , . , ( 4 14 , 4 ).
, . ( ), , . , , , .
, . , , , .
❯
, . , ! ! , , , , , .
, . , , . , , . , 0.5, 0.9 1. . . D = M×Z, M , Z . 2,25×. 1,25× , 1× . , .
- , , ( 24 , ). , , . . Python. , , .
( , ):
The program selects gears for the modules: [0.5]
The minimum diameter was chosen 10 mm, according to the bearing MR128ZZ 8x12x3.5mm
The center distance is 27.0
For module 0.5:
First gear ratio is 3.32 The gears: Z1 = 83, Z2 = 25
Parameters of the FIRST gear pinions
Z1 = 83
Tops: 42.5
Dividing circumference 41.5
Grooves: 40.25
Go deep to 1.125
Parameters of the FIRST gear pinions
Z2 = 25
Tops: 13.5
Dividing circumference 12.5
Grooves: 11.25
Go deep to 1.125
Parameters of the SECOND gear pinions
Z1 = 75
Tops: 38.5
Dividing circumference 37.5
Grooves: 36.25
Go deep to 1.125
Parameters of the SECOND gear pinions
Z2 = 33
Tops: 17.5
Dividing circumference 16.5
Grooves: 15.25
Go deep to 1.125
Second gear ratio: 2.272727272727273 The gears: Z1 = 75, Z2 = 33
Parameters of the THIRD gear pinions
Z1 = 65
Tops: 33.5
Dividing circumference 32.5
Grooves: 31.25
Go deep to 1.125
Parameters of the THIRD gear pinions
Z2 = 43
Tops: 22.5
Dividing circumference 21.5
Grooves: 20.25
Go deep to 1.125
Third gear ratio: 1.5116279069767442 The gears: Z1 = 65, Z2 = 43
Parameters of the FOURTH gear pinions
Z1 = 54
Tops: 28.0
Dividing circumference 27.0
Grooves: 25.75
Go deep to 1.125
Parameters of the FOURTH gear pinions
Z2 = 54
Tops: 28.0
Dividing circumference 27.0
Grooves: 25.75
Go deep to 1.125
Fourth gear ratio: 1.0 The gears: Z1 = 54, Z2 = 54
Desired ratios: R1 = 3.32 R2 = 2.225488677749687 R3 = 1.4918071851783283 R4 = 1
, .
, (Go deep to 1.125 ).
:
: Z1 = 25, Z2 = 83; U = 3.32
: Z1 = 33, Z2 = 75; U = 2.27
: Z1 = 43, Z2 = 65; U = 1.51
: Z1 = 54, Z2 = 54; U = 1
: Z1 = 25, Z2 = 83; U = 3.32
, , , , , , . , , , , (R1 = 3.32, R2 = 2.23, R3 = 1.49, R4 = 1). 24-10, , , . : 1- 3.5, 2- 2.26, 3- 1.45, 4- 1, 3.54.
? , , .. , , , . -, , , , . , . , .
: , . , , . , 3 . .
, ? , , ? . , . , . , , , . . , , --, !
, . 3 , , , . , . , , , , (!) 2. , .
, . , . , . , , , (--!). .
, , . , .
. , , . , .
, , , ( ). PLA . 0.5 . . , , , , 100% , . , , .
, , . , . , , . , . , .
, . , . , , , , . . . , , . , . , .
, ? . . , , , .
. , , . .
, . . , : . . .
, , .. . , , , , , -1.
, , . , , , , . , -, , , . ? , . .
? . , , , . , . ( . ) . , .
, . , , , . , 8 2 (... ?).
, . , . - , . , . , .
, , , . - , ? , () - , , , . , , , .
, . , , . , , . , , 6 . , , , .
. , . , .
, , , , ? ?
Timeweb Cloud ↩
.
.Ļ, : 7810945525





























